1.000 TL ÜZERİ SİPARİŞTE
ÜCRETSİZ KARGO
Tükendi
Gelince Haber VerElektrikli Vibrasyon Motorları endüstriyel amaçlı olarak filtreler, silolar, yüzey temizleme, konveyörler, besleme,dozajlama, test masaları gibi çeşitli vibrasyon makinelerinde kullanılmak üzere imal edilmektedir. Vibrasyon hareketi asenkron bir motor milinin her iki ucununda bulunan eksantrik ağırlıkların salınımı ile gerçekleşir.
Vibrasyon motorlar hassas bir işçilikle, kaliteli malzemeden imal edilmektedir. Rulman seçimi yapılırken, darbeye dayanıklı ve uzun ömürlü olması dikkate alınmıştır. Motorların devamlı çalışmadan mütevellit ısınmaması için özel magnetik devre ve sargı teşekkül edilmiştir. Vibrasyon motorları, sanayimizin çeşitli kollarında önemli ölçüde kullanılmaya başlanmıştır. İşletme kolaylığı bakımından kullanışlı bu bakımdan da ekonomiktir. Yerine yedeklenmesi kolay olmakta böylece işletme kesintiye uğramamaktadır. Çalıştığı müddetçe hiçbir müdahale ve bakıma gerek duyulmamaktadır.
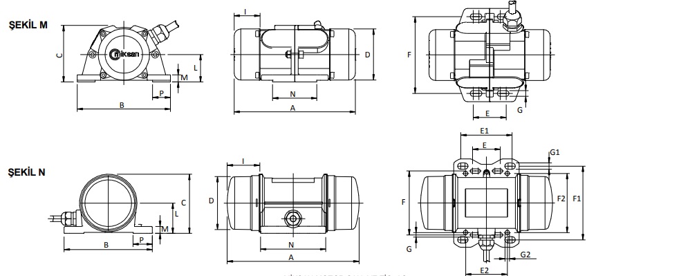
| MEKANİK BİLGİLER ÖLÇÜLER(mm) | ELEKTRİKSEL BİLGİLER | |||||||||
| RPM 50 Hz | Model | Santrifüj Kuvvet KG/N | Statik Moment kgmm | Ağırlık KG | Nominal Akım A | Nominal Gerilim V | Kapasitör μF | Mak.Giriş Gücü W | ||
| Trifaze | 3000 | VY 60 M | 59 | 579 | 5,75 | 2,80 | 0,24 | 230 | 4 | 50 |
| Şekil | A | B | C | D | E | E1 | E2 | F | F1 | F2 | G | G1 | ØG2 | I | L | M | N | P | Kablo Girişi |
| N | 190 | 127 | 85 | 77 | 24-40 | 62-74 | 60 | 92 | 106 | 85 | 9 | 6.5 | 6.5 | 47 | 43.5 | 10 | 94 | 28 | M16x1.5 |
